獣医さんの電子工作とパソコン研究室

2.リモコンRFレピーターの設計と製作

2002年7月製作

■ 概 要 ■
病院で待合室に導入したプラズマディスプレイが、リモコンの受光部がディスプレイにしかなく、受付に置いてある本体にリモコンを向けても操作できないため大変不便で、ディスプレイ部から離れたところからリモコン操作できないものかと考え、この「リモコンRFレピーター」を製作しました。
 
要は、電波を利用して赤外線リモコンのデータを別のところへ送るというものです。
 

左の写真は、受付事務部にあるプラズマディスプレイ・チューナーユニット周辺です
 
@ 製作したレピーター送信部
A プラズマディスプレイ・チューナーユニット
B 秋月液晶モニタ(別の場所にあるプラズマ表示器の画像をモニタしている、別ページに製作報告)
C これは関係の無いPCの液晶。手前のキーボード、マウスも関係ありません。

右の写真は、待合室・壁面についている50インチプラズマ表示器の部分。
 
黄色の矢印の部分にリモコン受光部がある。
緑の矢印は、今回製作したレピーター受信部。
ここから、白矢印のようにディスプレイに向かって赤外線の信号が出る。


■ 設 計 ■
電波でデータを飛ばすので、何か安価で簡単な方法はないかと考えていたところ、(株)アイ・ピイ・アイのホームページにRF無線送受信モジュールをみつけました。値段も手ごろなので、とりあえずAM変調の無線送信モジュール AM-RT5-315 ¥1,200円、受信モジュール AM-HRR3-315 ¥1,400円 を購入、詳しい説明書が入っているかと期待していたのですが、簡単な回路例と仕様が書いてあるだけで、期待はずれでした。
とにかく、どんな動作するか良くわかりませんでしたので、ブレットボードにて実験しながら設計を進めました。
 
赤外線リモコンのことについては、CQ出版社 PIC活用ガイドブック、トランジスタ技術 2002年6月号 P266 「サウンド学習型赤外線リモコン」、他いろいろを参考にさせていただきました。また、回路図は、初めて回路図エディタなるものを使って、きれいに清書してみました。(水魚堂さんのBSch回路図エディタを使用いたしました)

トラ技掲載の著者の方がホームページを開設されており、ご連絡をいただきました(2005/4/2)。たいへん赤外線リモコンについて詳しく解説されておりますのでご覧ください → 学習リモコンと信号解析 
 

 ← バラックで実験中の様子
 
 左上方が送信モジュール、左下方が受信モジュールです。
 
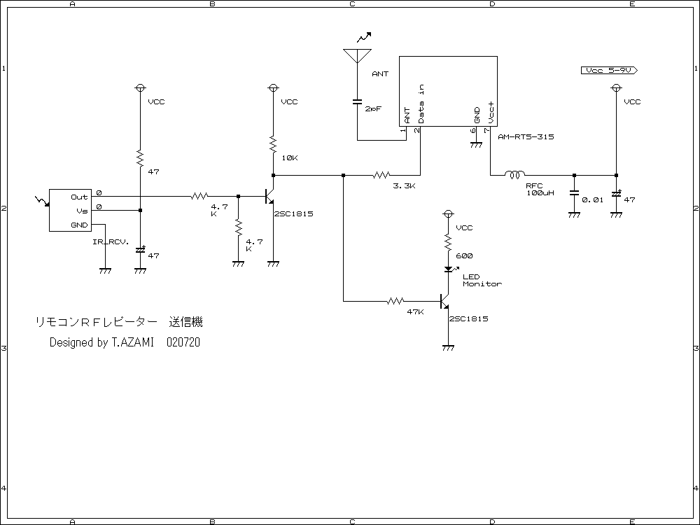
■ 送信部回路 ■
(右図をクリックすると大きく表示されます)

送信部動作:リモコンからの信号を受け、電波で送信

リモコン受信モジュールCRVP1738は、秋月で購入
赤外線受信モジュールCRVP1738からの出力は、赤外線のキャリア信号が取り除かれたものですので、このモジュールからの出力を反転して、送信モジュールに入力するだけの単純な回路です。

この送信モジュール(AM-RT5-315)はAM変調ですが、無調整で安いし便利です。 他に、もっとノイズに強いFM変調のモジュールも販売されていましたが、価格がこれよりも少し高めでした。
 

実装:

送信部のケースは、ジャンク箱の中にあったプラスチックケースです。電源は、電池も考えたのですが、携帯電話の充電器(7.2V)があったのでこれを利用しました。
電源のスイッチはつけませんでした。常時ONということですが、送信モジュールから電波が出っ放しというわけではありません。

 
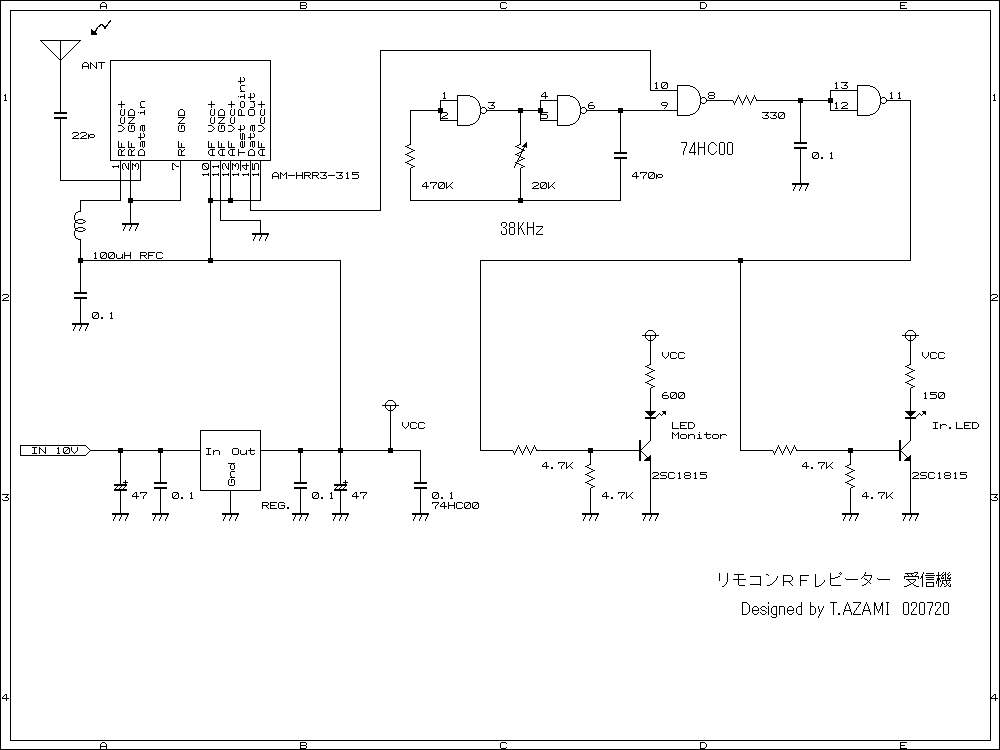
■ 受信部回路 ■
(図をクリックすると大きく表示されます)

受信部動作:電波を受信し、赤外発光ダイオードを光らせます。

C−MOSインバータによる発信回路にて、38KHzのキャリア信号を作り、これを受信モジュールAM-HRR3-315からの信号でスイッチングして、赤外発光ダイオードを光らせ、赤外リモコンの信号にしました。
 
実験中にノイズに悩まされました。原因は蛍光灯だったようです。これに気づくまで結構時間がかかりました。
 

実装:

受信部のケースは、ジャンクのACアダプタのケースを利用、電源にはACアダプタを使いました。
こちらも電源スイッチはつけませんでした。
消費電流を測定しませんでしたが、待機中は微小だと思います。


← オシロで見たリモコンからの波形:正常

バラックで実験しているとき、パルス状のノイズ?にずーっと悩みました。(右下写真)
RFの回り込みとか、電源からのノイズとか・・・。 実は、この信号、蛍光灯のノイズだったのです。
 
リモコン受信モジュールCRVP1738を蛍光灯に向けると、しっかりとしたパルスが出力されていました。(これに気づくのに数日かかった)。 受信モジュールは直接外光が当たらないほうが良いみたいです。

 
受信機に現れるパルス状のノイズ → 

そして、このノイズは、受信機にも当然現れるのですが、幸い、リモコンは38KHzのキャリアをon/offしているので、ノイズが入っても正常に動作しました。
 
気分的にすっきりしないのですが、このノイズの取り方がわかりません。回路図を見ていただくと、インバータ間にちょっとしたフィルタ的なものを入れてみたのですが、あんまり変わりません。 
この、いらないパルスの取り除き方、どなたか教えてください。
ハイパスフィルターにしたら良いのかなぁ?


 

■ リモコンRFレピータの応用アイディア ■

 
この「リモコンRFレピータ」と秋月のUHF送信機キットをあわせて使えば、CSチューナー(スカパーは基本的に1アンテナにチューナーは一台)からの画像を別の部屋のテレビに映しながらチューナーのコントロールもできることになります。 市販品で、こんなのありますよね。
または寝室にあるビデオデッキの画像を、居間のテレビで見ながら、リモートコントロールもできます。

とにかく、赤外線は見通し範囲しかとどかないけど、電波なら壁の向こうにも届きますので、いろいろ、応用しだいで使えると思います。
 

 最後に : しろーとの製作なので、動作していますが、理論的におかしい部分もあるかと思います。
 その辺は、大目に見てください。

Last Up Date 2002/9/20
Re make 2003/1/15

 

 

This page count Total:97843 / Today:1 / Yesterday:1  

 本業のページ